Index of /BlogImgs/editor_u/pdf/20220326/


../
STM8S103F3P6TR-3D-Model.jpg                        29-Nov-2022 09:06               10987
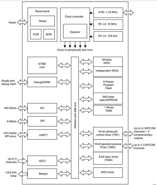
STM8S103F3P6TR-Block-Diagram.jpg                   29-Nov-2022 09:06               44997
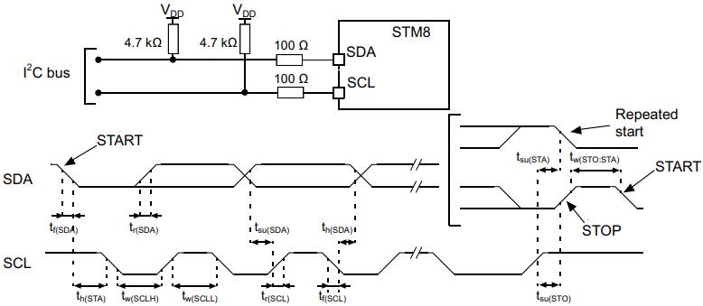
STM8S103F3P6TR-Circuit-Diagram.jpg                 29-Nov-2022 09:06               27909
STM8S103F3P6TR-Footprint.jpg                       29-Nov-2022 09:06               27408
STM8S103F3P6TR-Package.jpg                         29-Nov-2022 09:06               29856
STM8S103F3P6TR-Pinout.jpg                          29-Nov-2022 09:06               26903
STM8S103F3P6TR-Symbol.jpg                          29-Nov-2022 09:06               21828
STM8S103F3P6TR.pdf                                 29-Nov-2022 09:06             1685088