Index of /BlogImgs/editor_u/pdf/20220520/


../
Astable-Multivibrator-Schematic-and-Equations.jpg  29-Nov-2022 09:07               16598
CD40106BE-3D-Model.jpg                             29-Nov-2022 09:07               10005
CD40106BE-Block-Diagram.jpg                        29-Nov-2022 09:07                9836
CD40106BE-Footprint.jpg                            29-Nov-2022 09:07               14395
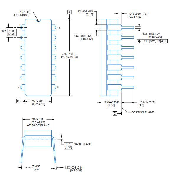
CD40106BE-Package.jpg                              29-Nov-2022 09:07               30718
CD40106BE-Pinout.jpg                               29-Nov-2022 09:07                9878
CD40106BE-Symbol.jpg                               29-Nov-2022 09:07               12573
cd40106b.pdf                                       29-Nov-2022 09:07             1567933